联系电话
0535-6870619
中文
/
EN
首页
关于我们
产品介绍
球阀
止回阀
其他阀门
快速接头
管件系列
铸铁阀门
精密铸件
工艺与质量
工艺流程
质量控制
荣誉资质
新闻中心
公司新闻
行业新闻
联系我们
网站首页
关于我们
产品介绍
工艺与质量
新闻中心
联系我们
当前位置:
首页
>
产品介绍
>
止回阀
球阀
止回阀
其他阀门
快速接头
管件系列
铸铁阀门
精密铸件
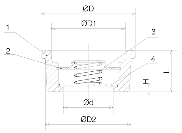
RVT-CW
所属分类:止回阀
联系我们
附件下载
详情介绍
上一篇:RVT-C
下一篇:RVT-SW
产品展示
Product display
球阀
止回阀
其他阀门
快速接头
管件系列
铸铁阀门
精密铸件
联系方式
Contact us
电 话:
0535-6870619
传 真:0535-6871619
Email:
rayvalve@163.com
地 址:烟台市福山区凤凰山路158号